銷售①:13508662630 銷售②:13507271573
公司地址:襄陽市樊城區春園西路賈洼工業園 郵箱:xfycdq@163.com
那么首先我們來看看運用在IGBT中頻電源的工作原理圖及檢修方法有哪些,也需要我們好好的吧這些都了解到位才是最合理的。 IGBT中頻電源的工作原理引言:中頻電源是......
發布時間:2017-04-25
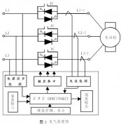
那么首先我們 來看看這個電機軟啟動器工作原理與接線圖布置范圍,需要我們好好的分析一下這個設備,起動柜和軟起動柜的一些布置方法吧。 一、電機軟啟動器工作原理 電機......
發布時間:2017-04-25
那么我們來看看問題所在高壓水電組起動柜跳閘故障需要如何處理。下面我們就來講解一下如何解決這個方法吧。 分析原因時必須掌握詳細的故障現象,了解現場情況,才能準確快......
發布時間:2017-04-25
那么下面我們就來介紹一下高壓水阻柜設計原理與運用,大家也需要仔細的參考一下這些技術了。 高壓電機水阻柜軟起動裝置是依靠溶解在水中的電解質離子導電的,溶液是用電解......
發布時間:2017-04-25
源創電氣為大家報答一下。 那么繞線電機需要用到的起動柜,基本有兩種,那么水阻起動柜,那么久是液阻軟起動柜,那么久是固定式起動柜,那么下面我們就來分析一下繞線電機......
發布時間:2017-04-25



(不想等待可點擊按鈕通過QQ進行溝通,或直接電聯。)
關閉